
人肺腺癌细胞(PC-9)培养基套装
- 套
产品信息
推荐 PC-9细胞专用培养基 (GZ10210-500ML),该专用培养基经过多级优化,更适合细胞的培养!
Component Number | Component | STCC10210P | STCC10210G |
GZ10210 | PC-9细胞专用培养基 | 125 mL | 125 mL |
STCC10210P-1 | PC-9 人肺腺癌细胞 | 1×106cells/T25培养瓶 | — |
STCC10210G-1 | PC-9 人肺腺癌细胞 | — | 1×106cells/冻存管×2 |
产品简介
细胞名称: | PC-9:人肺腺癌细胞 |
种属来源: | 人 |
组织来源: | 肺 |
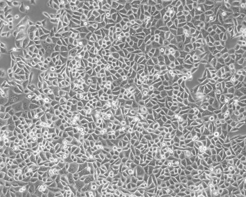
细胞形态: | 圆形/上皮细胞样 |
生长特性: | 半贴半悬细胞传代:上清得和底层贴壁细胞消化后的一起离心再分皿 |
生物安全等级: | 1级 |
推荐传代比例: | 收集悬浮细胞,贴壁细胞加胰酶消化,37℃干消化2min,1:5传代,3-4天长到约90%, |
推荐换液频率: | 2-3次/周 |
生长培养基: | RPMI-1640+10 %FBS+1 %P/S;(推荐PC-9细胞专用培养基 (GZ10210-500ML),经过多级优化,更适合该细胞的培养!) |
培养条件: | 温度:37 ℃;CO2:5 % |
冻存条件: | 选用无血清无蛋白非程序细胞冻存液(含DMSO,透亮色)【G1709-100ML】,直接转-80度冰箱隔天后液氮保存 或者 FBS 90%+DMSO 10%(乳黄色),程序降温盒转-80度冰箱隔天后液氮保存 (细胞复苏时切记培养基稀释后再离心!!!) |
RPMI-1640中的RPMI是Roswell Park Memorial Institute的缩写,代表洛维斯帕克纪念研究所,RPMI-1640是该研究所研发的一种细胞培养基。该培养基最初是为淋巴细胞培养专门设计的,目前已广泛应用于各种正常细胞和癌细胞的培养,尤其是悬浮细胞的培养,是使用最为广泛的培养基之一,本产品含多类细胞培养所需的氨基酸、维生素、无机盐等成分,不含蛋白质或生长因子,需根据细胞种类添加5-10%血清或无血清添加物使用。
胎牛血清是细胞培养中用量最大的天然培养基,含有丰富的细胞生长必须的营养成份,常用于动物细胞的体外培养,具有极为重要的功能。本产品为优级胎牛血清,已经过热灭活处理及过滤除菌,使用前无需进行热灭活,低温缓慢解冻后即可使用。
图片展示


STR鉴定
STR位点信息:
AMEL | X,X | D16S539 | 9,9 |
CSF1PO | 11,11 | TH01 | 7,7 |
D5S818 | 11,11 | TPOX | 11,11 |
D7S820 | 10,11 | vWA | 17,17 |
D13S317 | 8,8 |
储存运输
细胞:T25培养瓶常温运输;冻存管干冰运输,液氮保存。
培养基:常温运输,2-8 ℃保存,有效期12个月。
注意事项
1.优先推荐复苏细胞,7-8月复苏细胞加冰袋发货,12-2月复苏细胞加暖宝宝发货。
2.收到T25培养瓶寄送的细胞时,请及时检查外包装是否完好,细胞培养瓶是否损坏、漏液,培养基是否浑浊,如有请尽快联系。
3.收到冻存管寄送的细胞时,请及时查看泡沫盒内是否还有干冰,冻存管内细胞是否是冻存状态,如无特殊情况请及时解冻复苏培养。
4.细胞复苏、培养、传代等步骤及注意事项请参考细胞说明书。
5.请严格执行无菌操作,避免污染。
本产品仅供科研用途,不用于临床诊断!
| 货号 | 名称 | 规格 | 价格 | 操作 |
|---|
| 货号 | 名称 | 规格 | 价格 | 操作 |
|---|



